| 聯系方式 |
 |
杭州易測計量設備有限公司 地 址:杭州市余杭區北沙西路152號 聯系人:王經理 電 話:0571-85108155 傳 真:0571-85105122 手 機:18094712401
|
|
| ? |
隨著科學技術和國民經濟的飛速發展,新型與大型工程與運輸車輛也在不斷涌現,如何保證汽車衡寬度滿足其過衡要求;2015 年,應湖北某大型企業要求,由本公司設計并監制的一臺寬 5 米、長 15米、最大秤量為 120 噸的汽車衡已通過試運行及檢定。
該衡秤臺設計寬度5m,客戶所在地技術監督部門認定不符合汽車衡秤臺使用與設計標準,設備試運行一段時期后仍不予檢定,在取得汽車衡協會及各方專家認可后,當地技術部門按專家建議提出了更嚴格的檢定標準與要求,并對產品設計結構、設計強度進行了反復核算,在驗證各項指標達到要求后才開具檢定合格證書?;厥走^去,展望未來,我們感觸很多。細想起來,我們對客戶要求的汽車衡秤臺及其結構要求進行了充分分析與計算,主要有以下幾點。
一、超寬臺面承重臺結構特點及其受力分析
由于公路運輸特點,決定著超寬臺面汽車衡秤臺由左右兩半組成,又由于承重臺長度設計特點,承重臺縱向亦由多秤臺通過一定型式的連接而組成一臺能夠滿足汽車整體稱重的汽車衡。由于秤臺為左右兩半組成,因此要求秤臺中間必須要有支撐,這個支撐可以由稱重傳感器來做支撐,亦可由橫跨秤臺兩側的橫梁來做支撐;用傳感器做支撐的特點是:兩秤臺中間預留有中縫,或在秤臺中間開設孔口或臨時性用于安裝與檢修孔口;當在秤臺中間預留中縫,汽車過衡行駛中存在較大安全隱患,一旦車輛走偏將造成嚴重的安全事故。如在秤中間上部開檢修口,一是蓋板螺栓容易銹蝕或折斷,久而久之就變成無蓋板螺栓,造成有的蓋板有,有的蓋板無,有的蓋板歪,有的蓋板扭的混亂狀況;二是由于孔口處支撐問題,隨著過衡車輛的擠壓,都會造成蓋板凹凸不平,車輛過衡時都會發生尖銳的異常響聲;三是由于加多了支撐,增多了傳感器數量,提高了秤臺制造成本,同時也提高了地磅的故障率,降低了地磅使用效能。
針對超寬秤臺結構,本公司采用的是用支承橫梁來做支撐的方案,其斷面結構示意如圖 1 所示。
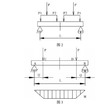
在圖 2 中:P 為過衡汽車輪胎施加給秤臺的重力,P1 與 P2 則分別是秤臺施加給橫梁的作用力,實際上其作用力我們可以看成是一條簡支梁,如圖 3 所示,從附圖中可以看出,該橫梁最大彎矩處在 C- D 段,
支座反力 Ra=Rb=P
最大彎矩為 Mmax=Pa
橫梁最大撓度 fmax= paL2 (3- 4α2)
6EI
式中:E 為鋼材彈性模量,I 為橫梁截面慣性矩,α 為 a/L 的值;
從以上分析可知,橫梁強度設計必須首先確保橫梁截面慣性矩,在保證的橫梁抗彎強度基礎上,再充分考慮秤臺連接與傳感器安裝即可。
二、溫度對多秤臺組合的影響溫度對秤臺組合的影響主要分左右兩半秤臺,前后搭接秤臺間的影響等;受工作環境影響,左右半秤臺在其斷面上是有冷熱伸縮的,因此當秤臺外側固定的情況下,秤臺內側定位銷就要求有一定的冷熱伸縮量,左右秤臺間亦應留有一定的冷熱伸縮量,如圖 4 所示。
三、超寬臺面汽車衡主受力梁確定目前,衡器業已普遍采用鋼板折彎做成 U 型梁作為主要支承的秤臺結構,U 型梁條數也因秤臺寬度要求而有多寡,對于通用汽車衡秤體設計,一般我們會將靠秤臺外側的第 2 條(或第 1 條與第 2 條一塊)作為主梁進行設計,將中間的部分 U型梁作為輔梁進行設計;但對于超寬秤臺來說情況則在不相同,我們試做分析。
超寬臺面汽車衡,無容置疑是為超寬工程車輛稱重設計的,鑒于超寬工程車輛的操作特性,客戶選定秤臺寬度時會適當考慮預留寬度空間,因此車輛過衡左右偏擺的幾率相對較大,另一面既是工程施工現場,諸如加高斗后八輪車一定是輔佐在超寬工程車附近,這些車輛輪距在
2.3m~3.0m 間,由于秤臺寬度充裕,過衡時尤如游龍過江是左右不定,因此秤臺主梁設計就應是全方位的,不得出現輔梁,不過,秤臺設計完成后,我們用“重軸載(超出 30%的設計軸載)且輪距小的車輛”在多個斷面位置模擬進行應力分析,確保秤臺設計強度。
類似的分析與計算還有很多,諸如左右半秤臺抗彎強度、秤臺變形量及撓度,傳感器分布位置,縱橫限位的方案與位置確認等;最終這些問題在技術部門的齊心協力下都得到了解決,也確保了產品的順利實現,滿足了客戶的需求。
|
|
上一篇:整車式動態地磅合理布局方式的探討
下一篇:地磅示值誤差測量結果的不確定度評定
|
|